山推工程机械股份有限公司——传动分公司装配车间试验区安全整改项目 经股份公司有关部门批准,现采用公开招标方式选择中标人,欢迎符合条件的投标人前来参加投标。有关事宜公告如下:
一、项目基本信息
1. 项目名称: 传动分公司装配车间试验区安全整改项目
2. 招标编号: STZBF(G)2025-269
3. 项目地址:山东省济宁市山推国际事业园
4. 到货周期: 签订合同后30天
5. 资金来源:自筹
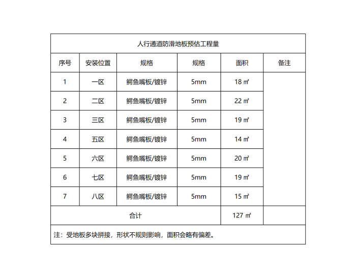
6. 项目概况:传动分公司装配车间试验控油池钢地板变形翘曲,需要更换新的钢地板;试验台周围和中间人行过道的地板防滑效果差,需更换防滑钢地板。施工作业需要的物料以及辅料按照甲方工艺、质量相关要求由乙方自行采购,费用由乙方承担。

人行通道防滑地板预估工程量

二、投标资格要求
1. 凡具有独立法人资格,有生产或供应能力的企事业单位,承认招标文件所有内容且具有完成本项目内容能力的供应商均可参加投标;
2. 投标人须遵守《中华人民共和国招标投标法》《中华人民共和国民法典》及其它有关的法律和法规;为中华人民共和国国内注册的独立法人机构,具有独立承担民事责任能力;
3. 经营范围满足招标项目需求。投标人注册资本不得少于人民币 100 万元。
4. 投标人满足技术、质量、资金等要求,财务状况良好、经营稳定,具有全面履约的能力,提供相关信用等级和完税证明;
5. 投标人需执业两年以上,近两年没有违反职业道德和违法执业行为;无不良信用记录,未被暂停或取消招投标资格;
6. 投标人不得为失信被执行人(以“信用中国”网站查询的记录结果为准);不接受重大税收违法案件当事人名单、政府采购严重违法失信行为记录名单的投标人参与投标;不接受在“国家企业信用信息公示系统”、“中国执行信息公开网”、“信用中国”等信息平台中,存在行政处罚及失信记录等信息的投标人参与投标;
7. 投标方未被列入山东重工集团黑名单;
8. 投标单位负责人为同一人或者存在控股、管理关系的不同单位,不得参加同一标段投标或者未划分标段的同一招标项目投标;
9. 不接受投标方的直接或间接股东、法定代表人、董事、监事、高管为招标人员工及其亲属等投标人参与投标;
10. 本项目不接受联合体投标,中标后不得分包或转包;
11. 本项目不接受代理商投标;
12. 无招标违规、谎报年度报告信息、提供虚假资质资料等行为或其他行政处罚记录;
三、投标报名应提交的资料(所有资料必须每页加盖公章)
1. 未按以下要求格式提交资料的,报名无效,不再另行通知。
2. 每份文件材料需按照所示顺序依次排列,每份材料均需盖有公司印章。
3. 报名材料内容及格式
要求报名材料为肆份PDF文件,应包含目录及所要求内容(每份文件不大于20M,如果超过20M请分包),分别为
(1) 文件壹名称:公司信息—招标编号—XXXX公司
包含内容:
① 公司简介;
② 有效期内三证合一的营业执照;
③ 如法定代表人参与投标,需提供法人身份证明、身份证;如委托他人参与投标,还需提供法定代表人授权委托书、被授权人身份证(均要求在有效期内、复印件盖公章,本项目不接受代理商投标);
(2) 文件贰名称:信用资料—招标编号—XXXX公司
包含内容:
① 开户行许可证;
② 半年内有效期的银行资信证明或近一个月人民银行企业信用报告;
③ 企业近半年完税证明;
④ 企业纳税信用等级(纳税网站端口首页截图);
(3) 文件叁名称:其他资料—招标编号—XXXX公司
包含内容:
① 阳光采购服务平台【http:/www.ygcgfw.com/】完成注册及报名的截图(注册并审核通过即可,无需参与交费活动)
② 相关合同:具备该类项目生产、安装成熟经验,提供2021年1月1日至今相同或类似项目合同复印件,其中必须包括合同首页、合同金额所在页、签字盖章页及合同标的页,提供数量不得低于3份;
(4) 文件肆名称:相关报告—招标编号—XXXX公司
包含内容:
① 近一周内下载的信用中国报告;
② 国家企业信用信息公示系统报告;
③ 中国执行信息公开网(查询结果截图)。
4. 如某项资料确实不能提供,请书面说明原因并盖章。
四、报名时间和方式
1. 报名时间:2025年11月05日—2025年11月12日17时00分,报名截止时间后送达的报名文件将被拒收;
2. 报名材料发至报名邮箱:【shantuizhaobiao_zz@shantui.com】和【cengliang@shantui.com】,邮件标题为:报名材料-招标编号-项目名称-公司简称;
3. 邮件内容编辑为:招标编号-项目名称-投标方公司名称-项目负责人及联系方式(项目招投标过程中,不得更换);
五、获取招标文件的时间及方式
资格审查通过后方可购买标书。
1. 招标文件获取方式:电子邮箱传递
2. 报名负责人:主管部门(招标事宜):谢工 0537-2909425
项目负责人(技术事宜):章工 15069780639
报名期限内,潜在参标方先根据项目公告要求报名,并与项目负责人进行技术交流,如需要补充材料,在规定时间内完成。报名时的资料查验不代表资格审查的最终通过或合格。
3. 疑问处理
提交疑问时间: 【2025年11月12日17时00分前
提交疑问方式:电话联系(招标工作相关请联系主管部门,项目技术相关请联系项目负责人)或将答疑问题以word文件格式发邮件至【shantuizhaobiao_zz@shantui.com】,并电话联系工作人员查收(谢工 0537-2909425),邮件名格式为:答疑文件-XXX公司(公司简称)-招标编号。同时须在邮件中以文字方式提供投标单位全称、投标授权人姓名、联系方式(固定电话、手机、电子邮箱)。
答疑、澄清和修改文件方式:招标人将以电子邮件的方式将招标文件的答疑澄清文件发送至答疑文件提交时登记的电子邮箱。
如需要统一澄清的,通过公告发布的媒介统一澄清。
六、缴费须知
1.所有缴费不接受私人账户汇款及现款交存,只接受公对公转账,缴费信息详见招标文件(资格预审通过后统一发送);
2.招标文件售价:200元/份,售后不退,招标文件发售WORD版或PDF版。
3.本项目无投标保证金
4.本项目无履约保证金。
七、发布公告的媒介
本次招标公告、澄清文件、候选中标人公示、中标公告在山东招标采购网(http://www.sdzbcg.com)、中国采购与招标网(http://www.chinabidding.com.cn/)、阳光采购服务平台(http://www.ygcgfw.com)发布,山推官方网站(http://www.shantui.com)只发布招标公告,请各潜在投标人及时关注相关信息;
投标单位请务必在阳光采购服务平台【http:/www.ygcgfw.com/】完成注册及报名。
八、投标文件及开标地点
资格审查通过后方可购买招标文件,开标时间地点以邮件通知为准。
投标文件递交方式:开标现场递交
投标文件递交地点:山东省济宁市327国道58号山推国际事业园办公大楼(详见招标文件)
九、重要说明
1.本项目由制造部承办,并对招标过程中可能出现的争议问题进行解释;
2.报名截止后,我公司有权对投标方资质进行择优筛选,而不对未通过筛选的投标方进行任何解释;
3.各投标人在交取招标文件费后,视为认同本招标项目和招标流程。
4.投标人必须登记用于本项目招投标过程中的准确有效的联系电话、电子信箱和负责人,并不得随意更换。本项目招投标过程中相关的招标文件、澄清、修改、资料、通知等信息均由山推工程机械股份有限公司通过此联系方式发送至投标人,所有信息一旦发布即视为以书面形式通知所有潜在投标人,逾期不予确认回复的均视为投标人已收到相关信息,若因登记的联系方式有误、通讯障碍、无人应答或未及时查阅等因素给投标人造成的一切损失均由投标人承担;
5.投标保证金的收取及退还:根据公司管理办法收取相应保证金,但无论中标与否,投标保证金原则上需在招标结果公布后退回,中标单位保证金在合同签订后退还或自动转为项目履约保证金(如招标文件有要求)。发生以下情况时,招标人有权没收投标保证金:
(1) 投标人递送投标文件后,无正当理由放弃投标的;
(2) 自中标通知书发出之日起30 日内,中标人无正当理由不与招标人签订合同的;
(3) 投标人在投标过程中被查实有串标、围标、陪标等违规违纪行为的;
(4) 投标人有违约违规行为或被投诉、举报的,在调查处理期间,保证金暂不退还,待调查处理结束后按有关规定处理。
山推工程机械股份有限公司
制造部
2025年11月5日